|
КАТАЛОГ ИНМОР
|
|
|
|
|
(812) 33 33 389
|
|
| |
| ЗАТВОРЫ ДИСКОВЫЕ ПОВОРОТНЫЕ ФЛАНЦЕВЫЕ И МЕЖФЛАНЦЕВЫЕ |
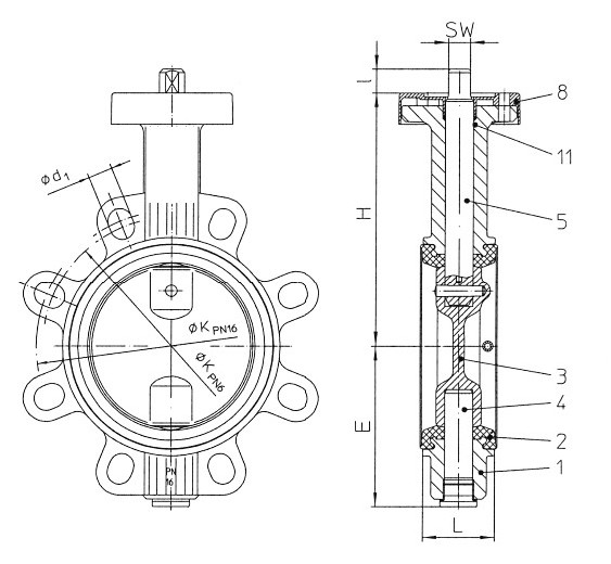
Затвор дисковый безфланцевый PN 10/16 Рис.07-004
|
Затвор дисковый безфланцевый PN 10/16
|
Проводимые среды: воздух, вода морская, вода пресная, вода трюмная, конденсат, пар. Судовая арматура сертифицирована в РМРС и в РРР.
|
|
для установки между фланцами DIN PN 10/16
|
|
привод редуктором
|
|
корпус - чугун высокопрочный по DIN GGG40
|
|
диск – нерж. сталь
|
|
манжета из EPDM
|
|
размер по фланцам в соотв. с DIN 3202 K1 (EN 558-1)
|
|
максимальная рабочая температура +130°
|
|
спецификация материалов:
корпус: высокопрочный чугун GGG40 по DIN 0.7040
диск: (до DN 080) нерж. сталь по DIN 1.4581
диск: (от DN 100) нерж. сталь по DIN1.4401
манжета: этиленпропилен по DIN EPDM
ось: нерж. сталь по DIN1.4021


тип 07-004
|
|
DN
|
L
|
H
|
E
|
ØK
|
l
|
SW
|
P2
|
H2
|
ØC
|
вес
|
|
25
|
33
|
128
|
58
|
85
|
15
|
11
|
152
|
217
|
125
|
2,9
|
|
32
|
33
|
128
|
58
|
100
|
15
|
11
|
152
|
217
|
125
|
2,9
|
|
40
|
33
|
134
|
66
|
110
|
15
|
11
|
152
|
223
|
125
|
3,1
|
|
50
|
43
|
140
|
69
|
125
|
15
|
11
|
152
|
229
|
125
|
3,6
|
|
65
|
43
|
150
|
81
|
145
|
15
|
11
|
152
|
239
|
125
|
4,0
|
|
80
|
46
|
158
|
100
|
160
|
15
|
11
|
152
|
247
|
125
|
4,5
|
|
100
|
52
|
179
|
109
|
180
|
15
|
11
|
152
|
268
|
125
|
5,7
|
|
125
|
56
|
196
|
124
|
210
|
18
|
17
|
152
|
285
|
125
|
8,2
|
|
150
|
56
|
212
|
140
|
240
|
18
|
17
|
152
|
301
|
125
|
9,9
|
|
200
|
60
|
246
|
167
|
295
|
18
|
17
|
152
|
335
|
125
|
13
|
|
250
|
68
|
273
|
203
|
350
|
24
|
22
|
254
|
404
|
250
|
24
|
|
300
|
78
|
302
|
232
|
400
|
24
|
22
|
254
|
433
|
250
|
32
|
|
350
|
78
|
358
|
258
|
460
|
26
|
22
|
254
|
563
|
250
|
41
|
|
400
|
102
|
407
|
287
|
515
|
42
|
30
|
302
|
681
|
350
|
65
|
|
500
|
127
|
495
|
354
|
620
|
42
|
30
|
302
|
751
|
350
|
95
|
Так же Вы можете сохранить эту главу каталога, перейдя в раздел "КАТАЛОГ"
Для получения уточнений и дополнительной информации просим Вас связаться с нами любыми удобными Вам средствами связи.
С уважением,информационный отдел компании "Инмор"
|
Производители поставляемой судовой арматуры сертифицированы
|