|
КАТАЛОГ ИНМОР
|
|
|
|
|
(812) 33 33 389
|
|
| |
| ЗАТВОРЫ ДИСКОВЫЕ ПОВОРОТНЫЕ ФЛАНЦЕВЫЕ И МЕЖФЛАНЦЕВЫЕ |
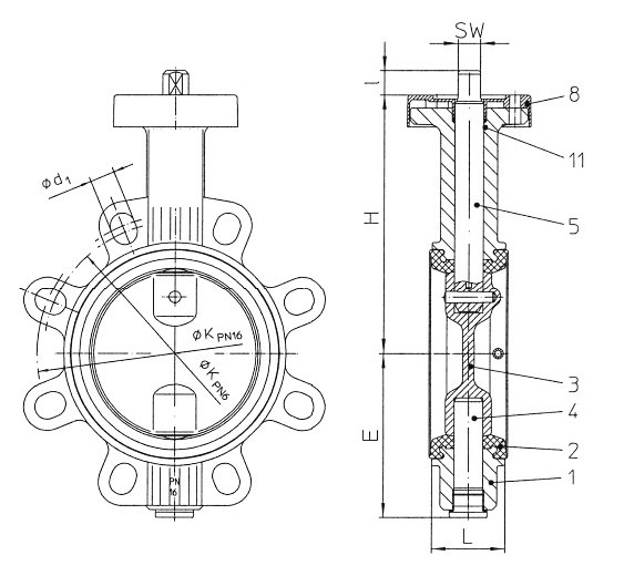
Затвор дисковый безфланцевый PN 10/16 Рис.07-003
|
Затвор дисковый безфланцевый PN 10/16
|
Проводимые среды: воздух, вода морская, вода пресная, конденсат, пар. Судовая арматура сертифицирована в РМРС и в РРР.
|
|
для установки между фланцами DIN PN 10/16
|
|
привод рукояткой
|
|
корпус – чугун серый GGG40
|
|
диск – нерж. сталь
|
|
манжета из этиленпропилена EPDM
|
|
размер по фланцам в соотв. с DIN 3202 K1 (EN 558-1)
|
|
максимальная рабочая температура до +130° C
|
|
спецификация материалов:
корпус: серый чугун GGG40 по DIN 0.7040
диск: (до DN 80) нерж. сталь по DIN 1.4581
диск: (от DN100) нерж. сталь по DIN 1.4401
манжета: этиленпропилен по DIN EPDM
ось: нерж. сталь по DIN 1.4021

тип 07-003
|
|
DN
|
L
|
H
|
E
|
ØK
|
d1
|
SW
|
P1
|
H1
|
вес
|
|
25
|
33
|
128
|
58
|
85
|
15
|
11
|
184
|
187
|
1,8
|
|
32
|
33
|
128
|
58
|
100
|
15
|
11
|
184
|
187
|
1,8
|
|
40
|
33
|
134
|
66
|
110
|
15
|
11
|
184
|
193
|
2,0
|
|
50
|
43
|
140
|
69
|
125
|
15
|
11
|
184
|
199
|
2,5
|
|
65
|
43
|
150
|
81
|
145
|
15
|
11
|
184
|
209
|
2,9
|
|
80
|
46
|
158
|
100
|
160
|
15
|
11
|
184
|
217
|
3,4
|
|
100
|
52
|
179
|
109
|
180
|
15
|
11
|
184
|
238
|
4,6
|
|
125
|
56
|
196
|
124
|
210
|
18
|
17
|
273
|
263
|
7,6
|
|
150
|
56
|
212
|
140
|
240
|
18
|
17
|
273
|
279
|
9,3
|
|
200
|
60
|
246
|
167
|
295
|
18
|
17
|
273
|
313
|
13
|
Так же Вы можете сохранить эту главу каталога, перейдя в раздел "КАТАЛОГ"
Для получения уточнений и дополнительной информации просим Вас связаться с нами любыми удобными Вам средствами связи.
С уважением,информационный отдел компании "Инмор"
|
Производители поставляемой судовой арматуры сертифицированы
|