|
КАТАЛОГ ИНМОР:
|
|
|
(812) 33 33 389
|
| |
| МАГНИТНЫЕ ИЗМЕРИТЕЛИ УРОВНЯ |
МАГНИТНОЕ ИЗМЕРЕНИЕ УРОВНЯ
|
|
|
 |
Непрерывное измерение уровня
Точность в пределах 15 мм
Диапазон измерений до 2 метров (больше только по специальному заказу)
Установка сверху или боковая
Устройство сделано из нерж. стали AISI 316L и пригодно для использования в разных жидкостях | |
|
| СКАЧАТЬ ТЕХНИЧЕСКУЮ ИНФОРМАЦИЮ И ОПИСАНИЕ: |
|
|
|
|
ПРИНЦИП ДЕЙСТВИЯ:
Сеть резисторов и герметизированных магнито-управляемых контактов встроена в стержень.
Поплавок с встроенным магнитом поднимается и
опускается с уровнем жидкости и приводит в действие
герметизированные магнитоуправляемые контакты,
под воздействием которых изменяются показатели сети
резисторов. В преобразователе сигнала сопротивление
преобразовывается в аналоговый сигнал 4-20 мА.
Преобразователь сигнала расположен в
соединительной верхней части, но может поставляться
и в отдельном корпусе. Внимание: доступны для заказа различные варианты, в случае необходимости, пожалуйста,присылайте подробный запрос! |
 | |
|
|
ITMLM-01-92 |
|
|
|
 |
ТЕХНИЧЕСКИЕ ДАННЫЕ:
|
|
| . |
Защита соединительной верхней части: IP-65 с клеммой PG-16 |
| . |
Материал изготовления части со стороны жидкости AISI 316L |
| . |
Фланец: стандартный 92x92 нерж. сталь AISI 316L |
| . |
Диапазон температур до 80°С |
| . |
Плавучий элемент 50x48, плавучесть 0.55 |
| . |
Установка сверху |
| . |
Преобразователь сигнала расположен в соединительной верхней части |
| . |
Чёткость в пределах 15 мм |
| . |
Вывод 0-10V или 4-20mA | |
|
|
|
ITMLM-01-G2 |
|
|
|
 |
ТЕХНИЧЕСКИЕ ДАННЫЕ:
|
|
| . |
Защита соединительной верхней части: IP-65 с клеммой PG-16 |
| . |
Материал изготовления части со стороны жидкости AISI 316L |
| . |
Корабельная соединительная деталь G2" |
| . |
Диапазон температур до 80°С |
| . |
Плавучий элемент 50x48, плавучесть 0.55 |
| . |
Установка сверху |
| . |
Преобразователь сигнала расположен в соединительной верхней части |
| . |
Чёткость в пределах 15 мм |
| . |
Вывод 0-10V или 4-20mA | |
|
|
|
ITMLM-02A-00 |
|
|
|
 |
ТЕХНИЧЕСКИЕ ДАННЫЕ:
|
|
| . |
Погружаящаяся версия с защитой, IP-68 без корпуса подключения |
| . |
Материал изготовления AISI 316L |
| . |
Диапазон температур до 80°С |
| . |
Плавучий элемент 50x48, плавучесть 0.55 |
| . |
PTFE, кабель из тефлона 3, 5, 7 м или больше по заказу |
| . |
Установка сверху |
| . |
Преобразователь сигнала поставляться отдельно |
| . |
Чёткость в пределах 15 мм |
| . |
Вывод 0-10V или 4-20mA | |
|
|
|
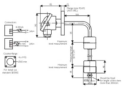
ITMLM-03-92 |
|
|
|
 |
ТЕХНИЧЕСКИЕ ДАННЫЕ:
|
|
| . |
Защита соединительной верхней части: IP-65 с клеммой PG-16 |
| . |
Материал изготовления части со стороны жидкости AISI 316L |
| . |
Фланец: стандартный 92x92 нерж. сталь AISI 316L |
| . |
Диапазон температур до 80°С |
| . |
Плавучий элемент 50x48, плавучесть 0.55 |
| . |
Установка боковая |
| . |
Преобразователь сигнала расположен в соединительной верхней части |
| . |
Чёткость в пределах 15 мм |
| . |
Вывод 0-10V или 4-20mA |
| |
|
Так же Вы можете сохранить эту главу каталога, перейдя в раздел "КАТАЛОГ"
Для получения уточнений и дополнительной информации просим Вас связаться с нами любыми удобными Вам средствами связи.
С уважением,информационный отдел компании "Инмор"
|
Производители поставляемой судовой арматуры сертифицированы и одобрены основными Морскими Регистрами
| Замечания и комментарии приветствуются. С удовольствием добавим в наш каталог недостающую информацию по судовой арматуре. |
|